Agricola Hydraulika Siłowa Sp. z o.o. Reviews with ekomi-pl.com

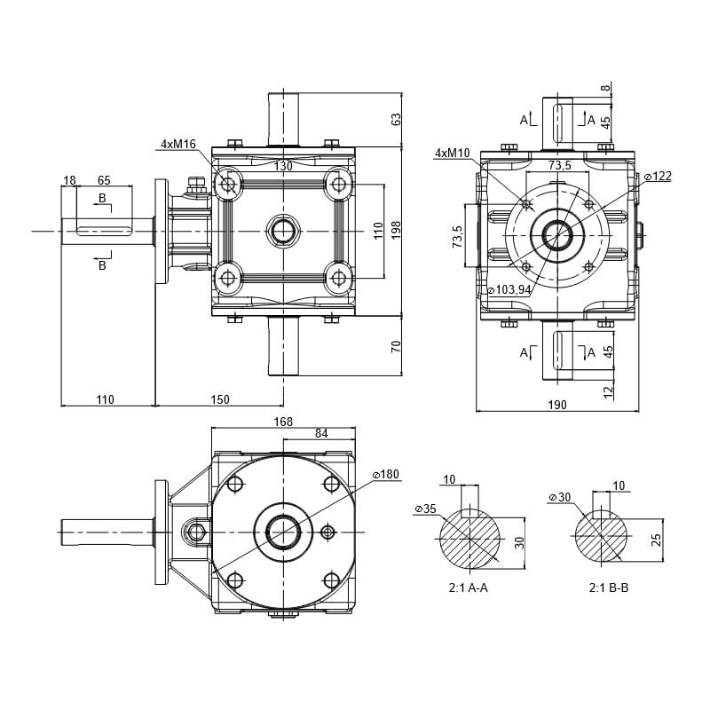
Przekładnia środkowa w żeliwnej obudowie. Przełożenie 1,56:1. Do rozrzutnika obornika.

Dostępność: duża ilość
Wysyłka w: Kup do godziny 15:00 - wysyłka jeszcze dziś
Dostawa: Cena nie zawiera ewentualnych kosztów płatności sprawdź formy dostawy
Cena brutto: 1 091,00 zł 1091.00
Cena netto: 886,99 zł
ilość szt
Zyskujesz 1 091 pkt [?]
dodaj do obserwowanych
Producent: HYDROLIDER
Kod produktu: 2.00.07.501

Opis

PRZEKŁADNIA KĄTOWA ŚRODKOWA 1,56:1 DO ROZRZUTNIKA

W ZESTAWIE ODPOWIETRZNIK

 

Symbol: 2.00.07.501
Producent części: Hydrolider
Zastosowanie:

Przekładnia środkowa do rozrzutnika obornika. Przełożenie 1,56:1, materiał obudowy żeliwo. Moc wyjściowa: 42 kW (57 KM)

Przełożenie:

1,56:1

Maksymalne obroty wejściowe:

842 obr/min

Maksymalne obroty wyjściowe:

540 obr/min

Maksymalna moc wyjściowa:

42 kW, (57 KM)

Maksymalny moment wejściowy:

476 Nm
Maksymalny moment wyjściowy:

742 Nm

Materiał smarujący:

olej przekładniowy 1L typ EP90

Materiał obudowy:

żeliwo

Kształt kół zębatych:

stożkowe na zębach prostych

Materiał kół zębatych:

stalowe, kute

Dodatkowe wyposażenie:

odpowietrznik dodawany luzem, wkręcany w jeden z dwóch otworów w zależności od położenia przekładni w maszynie

Koszty dostawy Cena nie zawiera ewentualnych kosztów płatności

Kraj wysyłki:
Waluty

Szybki kontakt:

Infolinia:
📞+48 54 2844 000

 +48 609 806 296
 +48 607 730 683


📧 e-mail kontaktowy:
zamawiam@sklepdlarolnika.pl

Godziny pracy biura:
pn-pt: 7-16, soboty: 7-13

1 Maja 40A,
87-840 Lubień Kujawski

do góry
Sklep jest w trybie podglądu
Pokaż pełną wersję strony
Sklep internetowy Shoper Premium